Pin and Bush Type Bucket Elevator Chains –
OEM Equivalent & Made in India
Constromech offers a complete range of high tensile elevator chains designed for bucket elevator systems across the cement, steel, power, chemical and mining industries. Our pin and bush type chains are engineered for long service life, dimensional accuracy, and compatibility with international OEM standards—making us a reliable chain supplier in India and globally.
Product Range Overview
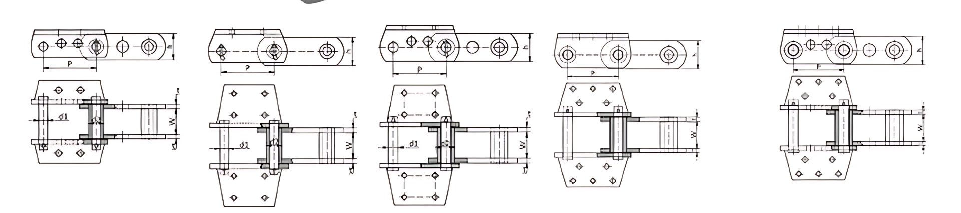
1. Central Chain Bucket Elevator Chains
These high-strength central chains are ideal for vertical conveying systems that handle hot, abrasive materials like clinker, coal, limestone, and gypsum.
Key Specs:
- Pitch: 152.4 mm – 177.8 mm
- Width: Up to 95 mm
- Bush Diameter: Up to 63.5 mm
- Heat-treated pins and case-hardened bushes (HRC >58)
- Robust side plates (up to 16 mm thickness)
Benefits:
- Longer operational life
- High fatigue resistance
- Low chain elongation under heavy load
- Suitable for high-lift elevators in cement kilns and raw mills
2. Double Strand Chain Bucket Elevator Chains
Our double-strand chains offer balanced load distribution and high structural stability for bucket elevators with two-strand configurations.
Technical Details:
- Pitch: 75 mm – 150 mm
- Width: Up to 76.5 mm
- Roller Diameter: Up to 70 mm
- Hardened rollers and thick side bars (up to 13 mm)
Ideal For:
- High-capacity bucket elevators
- Smooth bucket movement with low roller friction
- Steel, fertilizer, and thermal power plants
HIGH TENSILE CHAIN FOR CENTRAL CHAIN BUCKET ELEVATORS

MODEL | ATTACHMENT (EXAMPLE) | PITCH (P) | WIDTH (W) | HEIGHT (h) | THICKNESS (t) | ØPIN (d1) | ØBUSH (d2) |
CES-8-5-6 | CMECH-2/4/8 | 152.4 | 76.2 | 63.5 | 13 | 25.4 | 44.5 |
CES-9-5-6 | CMECH-2/4/8 | 152.4 | 76.2 | 76 | 13 | 25.4 | 44.5 |
CES-8-5-7 | CMECH-2/4/8 | 152.4 | 76.2 | 84 | 13 | 25.4 | 44.5 |
CES-9-5-8 | CMECH-2/4/8 | 152.4 | 76.2 | 84 | 14 | 28.6 | 50.8 |
CES-8-5-9 | CMECH-2/4/8 | 152.4 | 95 | 102 | 16 | 31.8 | 60.5 |
CES-8-6-4 | CMECH-8M2/10 | 177.8 | 95 | 102 | 16 | 31.8 | 60.5 |
CES-9-8-4 | CMECH-8M2/10 | 177.8 | 95 | 102 | 16 | 34.9 | 63.5 |
HIGH TENSILE CHAIN FOR DOUBLE STRAND CHAIN BUCKET ELEVATORS

MODEL | PITCH (P) | WIDTH (W) | HEIGHT (h) | THICKNESS (t) | ØROLLER (d1) | A | B | C |
CES-300-10 | 75 | 30.6 | 40 | 6 | 29 | 80 | 75 | 14 |
CES-300-10S | 150 | 30.6 | 40 | 6 | 29 | 80 | 75 | 14 |
CES-300-12 | 76.2 | 37 | 45 | 8 | 35 | 80 | 75 | 14 |
CES-450-12 | 100 | 37 | 45 | 8 | 35 | 100 | 100 | 16 |
CES-450-12S | 200 | 37 | 45 | 8 | 35 | 100 | 100 | 16 |
CES-300-17 | 76.2 | 36 | 50 | 8 | 27.5 | 80 | 75 | 14 |
CES-300-17L | 125 | 51 | 50 | 10 | 40 | 110 | 125 | 18 |
CES-450-17 | 100 | 51 | 50 | 10 | 40 | 100 | 100 | 16 |
CES-450-17S | 200 | 51 | 50 | 10 | 40 | 100 | 100 | 16 |
CES-450-26 | 100 | 57 | 65 | 10 | 50.8 | 100 | 100 | 16 |
CES-600-26 | 125 | 56 | 65 | 10 | 50.8 | 110 | 125 | 18 |
CES-600-36 | 125 | 66.2 | 76 | 13 | 57 | 110 | 125 | 18 |
CES-600-36L | 125 | 77 | 90 | 13 | 60 | 130 | 125 | 18 |
CES-800-36 | 150 | 66.2 | 76 | 13 | 57 | 140 | 150 | 22 |
CES-800-60 | 150 | 76.5 | 76 | 13 | 70 | 140 | 150 | 22 |
CES-011-90 | 175 | 87.5 | 110 | 16 | 60.1 | 150 | 175 | 26 |
CHAIN FOR DOUBLE STRAND CHAIN BUCKET ELEVATORS
Model | Pitch (P) | Width (W) | Height(H) | Roller (r) | Thickness (m) | S | T | U (Ø) | V (Ø) |
CMECH-DS-1.8 | 125 | 68 | 80-90 | 63.5 | 12 | 130 | 125 | 18 | 34 |
CMECH-DS-1.5 | 125 | 83 | 110-115 | 75 | 16 | 150 | 125 | 18 | 34 |
CMECH-DS-3.8 | 200 | 52 | 60 | 45 | 10 | 80 | 100 | 18 | 32 |
CMECH-DS-3.4 | 200 | 58 | 75 | 48 | 10 | 80 | 200 | 18 | 33 |
CMECH-DS-4.3 | 250 | 57 | 65 | 50.8 | 10 | 100 | 140 | 18 | 33 |
CMECH-DS-1.9 | 100 | 58 | 60 | 44.5 | 10 | 105 | 100 | 18 | 31 |
CMECH-DS-1.6 | 125 | 75.5 | 100 | 70 | 15-16 | 130 | 125 | 18 | 32 |
CMECH-DS-5.2 | 300 | 57 | 65 | 50.8 | 10 | 100 | 170 | 18 | 33 |
CMECH-DS-2.0 | 175 | 85.5 | 110 | 74 | 14-15 | 180 | 175 | 21 | 41 |

Sheet Steel chains with separate bucket holders
Designed with modular construction and bolted bucket holders, these chains ensure maximum flexibility and easy bucket replacement.
Specifications:
- Pitch: 177.8 mm – 200 mm
- Clearance Width: Up to 115 mm
- Bush Diameter: Up to 80 mm
- Designed with pre-formed precision links
Applications:
- Sinter cooling conveyors
- High-temperature bucket elevators
- Plants requiring easy retrofitting or modular bucket handling
Why Constromech Chains?
OEM-Compatible Engineering
- Fully interchangeable with leading OEM standards
- Designed to match international dimensional tolerances
- Metallurgy matched with hardened pins, bushes, and link plates
- Compatible with both welded and bolt-on attachments
Manufacturing Excellence
- Quality assurance backed by inspection reports and traceability
- 100% Made in India – ensuring quality control
Commercial Advantages
- Competitive pricing with assured performance
- Shorter delivery timelines due to local production and stock
- Custom design services for unique or legacy installations
- Supported by technical team for installation and maintenance guidance
Industries We Serve
- Cement manufacturing plants
- Steel and sponge iron units
- Power generation facilities
- Fertilizer & chemical plants
- Mining and mineral processing units
Request a Quote or Technical Consultation
Ready to upgrade or replace your existing bucket elevator chain assemblies? Reach out to us for customized solutions, technical drawings, or a free consultation with our engineering team.
Sheet Steel chains with separate bucket holders (table)

name | pitch [mm] | clearance width [mm] | bush-Ø [mm] |
CMECH 17 | 177.8 | 70 | 52 |
CMECH 18 | 180 | 70 | 56 |
CMECH 1000 | 180 | 85 | 53.7 |
CMECH 1200 | 180 | 100 | 60 |
CMECH 1600 | 180 | 110 | 75 |
CMECH 2000 | 200 | 115 | 80 |
Forged Bucket Elevator
Modal | Pitch (mm) | Width | Height | Thickness | Bush (Ø) m1 | Pin (Ø) m2 |
Cmech-FDL332 | 177.8 | 70 | 85 | 15 | 51.95 | 32.1 |
Cmech-FDL337 | 177.8 | 70 | 90 | 19 | 57.95 | 36.3 |
Cmech-FDL362 | 177.8 | 85 | 100 | 21 | 62.95 | 39.7 |
Cmech-FDL382 | 177.8 | 95 | 110 | 22.6 | 70.95 | 44.5 |
Cmech-FDL436 | 200 | 106 | 130 | 22.6 | 84.9 | 54.4 |
Cmech-FDL305 | 160 | 65 | 80 | 12 | 49.95 | 29.75 |
Cmech-FDL325 | 180 | 55.9 | 90 | 15 | 55.95 | 32 |
Cmech-FDL380 | 180 | 100 | 100 | 15 | 60.35 | 36 |
Cmech-FDL400 | 180 | 100 | 120 | 20 | 70.95 | 44.45 |
Cmech-FDL405 | 180 | 105 | 130 | 20 | 74 | 47 |
Cmech-FDL418 | 180 | 118 | 130 | 20 | 74 | 47 |
Cmech-FDL340 | 180 | 75 | 85 | 15 | 54 | 50 |
Cmech-FDL370 | 180 | 90 | 100 | 16 | 60 | 55 |
