Constromech Engineering Solutions Bucket Elevator TDS Connector LD Shackles Round Link Chain Feeder Pan Belt Elevator Scrapper Bar

Chain & Bucket Attachment

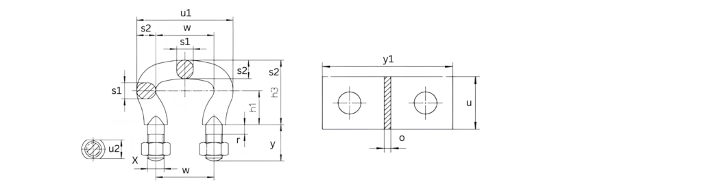
View Shackle Table Precision-forged chain shackles conforming to DIN 745 and DIN 5699 standards, designed specifically for chain bucket elevators operating in heavy-duty environments such as cement, steel, mining, and power plants. These shackles form the critical link between the chain and bucket, and are engineered to ensure maximum strength, dimensional precision, and long-term reliability under high mechanical and thermal stress.
Standard Description Application Focus
DIN 745 U-type forged shackles with threaded pin and nut assembly General-purpose, high-load central chain elevators
DIN 5699 Flat-profile shackles with compact geometry and low clearance Tight bucket spacing and reduced PCD elevators

Technical Features

ComponentTechnical Highlights
BodyDrop-forged alloy steel, normalized and surface cleaned; high fatigue resistance under tensile and impact loads
Cross PinHeat-treated steel bolt, precision-ground and matched to bore for even stress transfer
Nut & LockingHex nut with spring washer or locking plate as per DIN standards; resists vibration loosening
Mounting GeometryDesigned to match the chain’s inside link width and pitch spacing for snug and aligned bucket attachment
Surface ProtectionSupplied with anti-corrosion coating or hot-dip galvanized upon request for harsh environments

Assembly & Spare Parts Supplied

Constromech provides complete shackle kits with:

  • Forged shackle body
  • Cross bolt/pin with matching hardness
  • Nut and washer/locking plate
  • Optional adapter plates for custom bucket interfaces
  • Shims and spacers for field alignment corrections
  • Full dimensional traceability and serial tagging

All components are match-marked and ready for installation. No re-drilling or machining required.

Operational Advantages

  • Reliable Load Transfer
    Optimized U or flat geometry maintains uniform stress distribution across chain links and bucket plates.
  • Reduced Downtime
    Through-hardened pins and precision-machined bores reduce wear, elongation, and lateral play.
  • Extended Service Life
    Self-locking assemblies withstand constant vibration and temperature cycles, reducing the risk of loosening.
  • Energy Efficiency
    Compatible with various bucket geometries, adapter plates, and chain sizes from 10 × 28 mm to 38 × 144 mm.
  • Predictive-Maintenance Friendly
    Modular and standardized design allows fast swap-out during shutdowns with basic tools.

Why Constromech Shackles?

FeatureBenefit
Forging & machiningFull control over material traceability, heat treatment, and dimensional accuracy
Custom ConfigurationsSpecial widths, bolt lengths, or pin diameters available on request
OEM Compatibility100% match with standard DIN 764/766 round link chains and all leading bucket profiles
Ready StockFast delivery on common sizes; expedited manufacturing for shutdown replacements
Engineering SupportTechnical drawings, torque specs, and on-site guidance for critical applications

Use Cases

  • Clinker and slag elevators in cement and steel plants
  • Raw material and limestone elevators in mining and crushing plants
  • Fly ash and coal handling systems in thermal power stations
  • Bulk storage and reclaim applications in ports and terminals

Fit. Lock. Elevate.

Shackles are built to handle the toughest conveying environments — with reliability, precision, and longevity engineered into every piece. Whether you’re installing a new elevator line or retrofitting an aging one, we deliver plug-and-play shackle solutions that exceed DIN standards.

Contact us today for detailed drawings, standard availability, or complete chain + shackle + bucket assemblies tailored for your project.

DIN-745 CHAIN SHACKLE

Shackle - Constromech Engineering Solution
DIN shackle 745 - table

DIN-5699 CHAIN SHACKLE

Shackle DIN 5499 745
Shackle DIN 5499 745