Constromech Engineering Solutions Bucket Elevator TDS Connector LD Shackles Round Link Chain Feeder Pan Belt Elevator Scrapper Bar

Chain Attachment

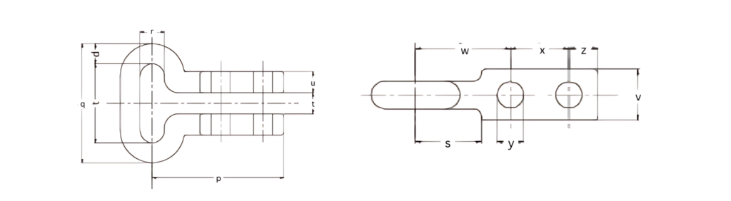
TDS connector Table - constromech
TDS Connector

Table- TDA Connector

TDA connector table - Constromech
TDA Chain Connector

Scraper bar attachments for chains

Chain Connector for Scrapper bar
Scraper bar attachments for chains Table

Block Chain Connector – Technical Dimensions Table

EFS Chain Connector – Technical Dimensions Table
EFS Chain Connector - Cmech

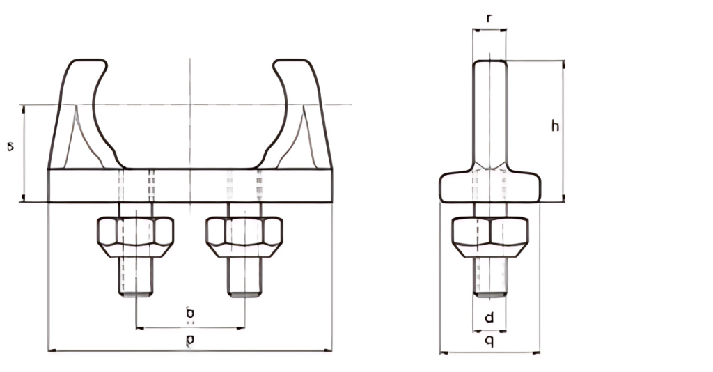
LDA Shackle

LD shackle
LD shackle Table

Chain Lock/ Chain Coupler

Pitch (dxt) mmHeight (m)Width (n)
19 x 7564.520.5
22 x 867427
25 x 958929
26 x 928729.5
26 x 1008729.5
30 x 10810036
30 x 12010536
34 x 12611740
34 x 13611740
36 x 12611740
38 x 14413545